×
搜索
搜索
网站导航
首 页
关于扬通
产品中心
公司形象
联系我们
阿里店铺
应用行业
公司动态
生产机器
荣誉证书
留言反馈
您的位置:
首页
→
产品中心
→
PQ型
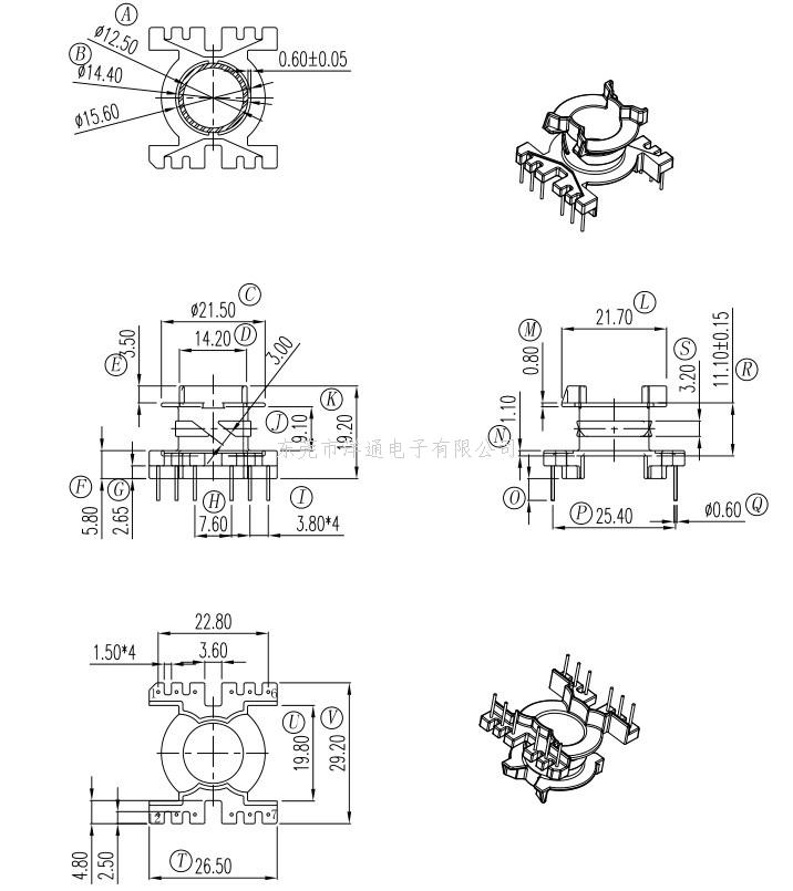
PQ2620变压器骨架PQ26电木骨架PQ25高频骨架卧式骨架 YT-2613 2
上一个:PQ2625-2变压器骨架PQ26电木骨架PQ25高频骨架卧式骨架 YT-2614 2
下一个:PQ2619变压器骨架PQ26电木骨架PQ25高频骨架卧式骨架 YT-2612 2
详情介绍
PQ2620
变压器骨架PQ26电木骨架PQ25高频骨架卧式骨架 YT-2613 2
东莞市扬通电子有限公司 版权所有
技术支持:
东莞网站建设