×
搜索
搜索
网站导航
首 页
关于扬通
产品中心
公司形象
联系我们
阿里店铺
应用行业
公司动态
生产机器
荣誉证书
留言反馈
您的位置:
首页
→
产品中心
→
EE/EI/EEL型
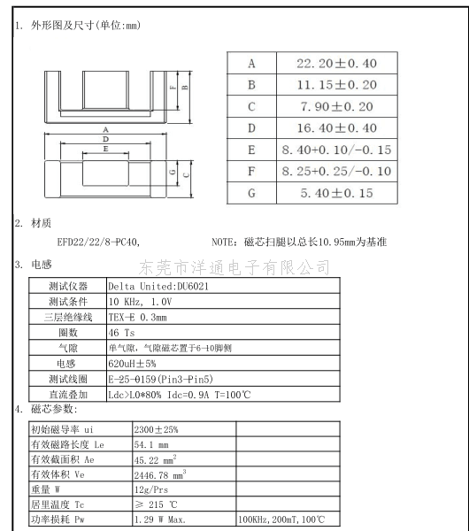
EFD22变压器磁芯EFD23电源磁芯EFD22高频磁芯EFD23铁氧体磁芯 CORE PC44材质
上一个:EE16电木骨架EE16高频骨架EF16变压器骨架EE16贴片式骨架YT-1632 4
下一个:EE16电木骨架EE16加宽骨架EE17高频骨架EE16电源骨架EE17立式骨架YT-1660
详情介绍
EFD22变压器磁芯EFD23电源磁芯EFD22高频磁芯EFD23铁氧体磁芯 CORE PC44材质
东莞市扬通电子有限公司 版权所有
技术支持:
东莞网站建设