×
搜索
搜索
网站导航
首 页
关于扬通
产品中心
公司形象
联系我们
阿里店铺
应用行业
公司动态
生产机器
荣誉证书
留言反馈
您的位置:
首页
→
产品中心
→
EE/EI/EEL型
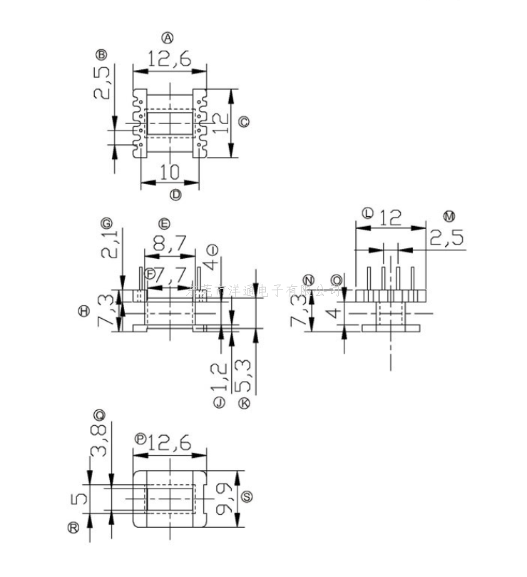
EE14变压器骨架EER14电木骨架EI14高频骨架卧式骨架 YT-14 二
上一个:EE13-4变压器骨架EER13-4电木骨架EI13-4高频骨架卧式骨架 YT-1304 二
下一个:EE15变压器骨架EER15电木骨架EI15高频骨架卧式骨架 YT-1501 二
详情介绍
EE14变压器骨架
EER14
电木骨架
EI14
高频骨架卧式骨架 YT-14 二
东莞市扬通电子有限公司 版权所有
技术支持:
东莞网站建设