×
搜索
搜索
网站导航
首 页
关于扬通
产品中心
公司形象
联系我们
阿里店铺
应用行业
公司动态
生产机器
荣誉证书
留言反馈
您的位置:
首页
→
产品中心
→
EE/EI/EEL型
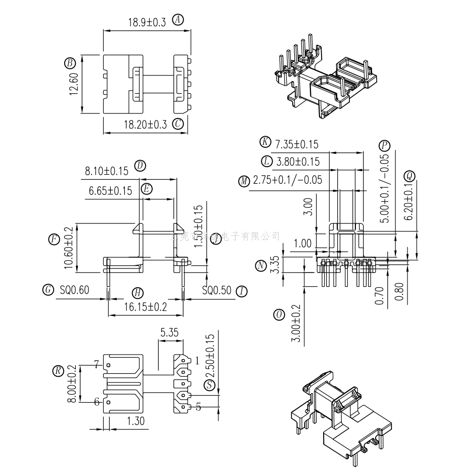
EE10变压器骨架EER10电木骨架EI10高频骨架卧式骨架 YT-1038 2
上一个:EE10.2变压器骨架EER10.2电木骨架EI10.2高频骨架卧式骨架 YT-1039 2
下一个:EE1011V变压器骨架EER1011V电木骨架EI1011V高频骨架卧式骨架 YT-1025 2
详情介绍
EE10
变压器骨架
EER10
电木骨架
EI10
高频骨架卧式骨架 YT-1038 2
东莞市扬通电子有限公司 版权所有
技术支持:
东莞网站建设