×
搜索
搜索
网站导航
首 页
关于扬通
产品中心
公司形象
联系我们
阿里店铺
应用行业
公司动态
生产机器
荣誉证书
留言反馈
您的位置:
首页
→
产品中心
→
EE/EI/EEL型
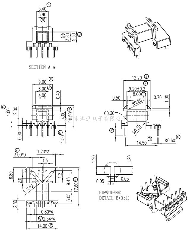
EE13变压器骨架EI13电木骨架EER13高频骨架卧式骨架 YT-1314 2
上一个:EE13变压器骨架EER13电木骨架EI13高频骨架卧式骨架 YT-1317 2
下一个:EE13变压器骨架EI13电木骨架EER13高频骨架卧式骨架 YT-1313 2
详情介绍
EE13
变压器骨架
EI13
电木骨架
EER13
高频骨架卧式骨架 YT-1314 2
东莞市扬通电子有限公司 版权所有
技术支持:
东莞网站建设