×
搜索
搜索
网站导航
首 页
关于扬通
产品中心
公司形象
联系我们
阿里店铺
应用行业
公司动态
生产机器
荣誉证书
留言反馈
您的位置:
首页
→
产品中心
→
EE/EI/EEL型
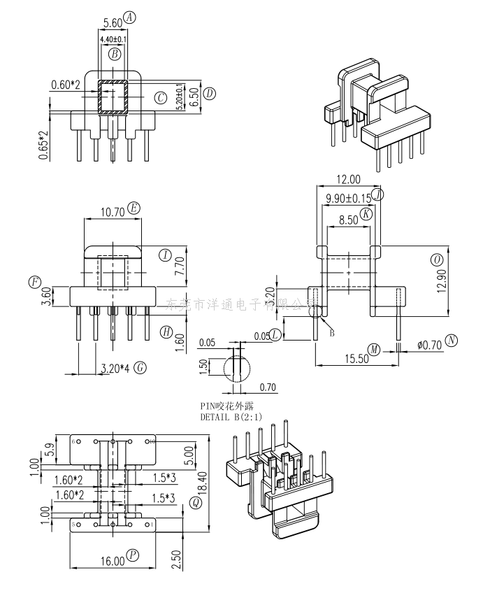
EE16变压器骨架EER16电木骨架EI16高频骨架卧式骨架 YT-1614 2
上一个:EE16变压器骨架EER16电木骨架EI16高频骨架卧式骨架 YT-1615 2
下一个:EE1614变压器骨架EER1614电木骨架EI1614高频骨架卧式骨架 YT-1613 2
详情介绍
EE16
变压器骨架EER16电木骨架EI16高频骨架卧式骨架 YT-1614 2
东莞市扬通电子有限公司 版权所有
技术支持:
东莞网站建设