×
搜索
搜索
网站导航
首 页
关于扬通
产品中心
公司形象
联系我们
阿里店铺
应用行业
公司动态
生产机器
荣誉证书
留言反馈
您的位置:
首页
→
产品中心
→
EE/EI/EEL型
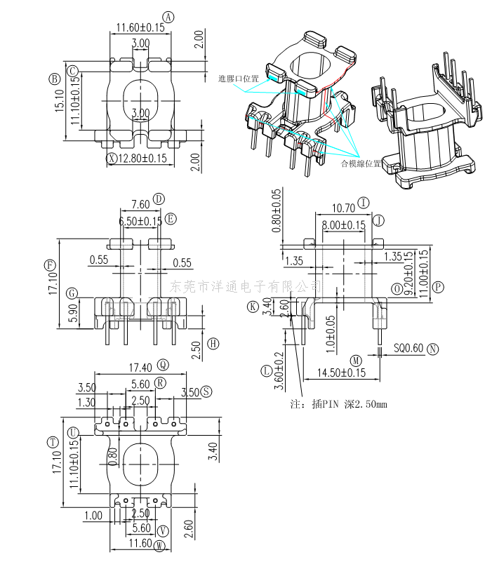
ATP1715变压器骨架ATP17电木骨架ATP15高频骨架卧式骨架 YT-1714 2
上一个:EL19变压器骨架EE19电木骨架EI19高频骨架卧式骨架 YT-1905 2
下一个:EE17变压器骨架EI17电木骨架EER17高频骨架卧式骨架 YT-1711 2
详情介绍
ATP1715
变压器骨架ATP17电木骨架ATP15高频骨架卧式骨架 YT-1714 2
东莞市扬通电子有限公司 版权所有
技术支持:
东莞网站建设