×
搜索
搜索
网站导航
首 页
关于扬通
产品中心
公司形象
联系我们
阿里店铺
应用行业
公司动态
生产机器
荣誉证书
留言反馈
您的位置:
首页
→
产品中心
→
EE/EI/EEL型
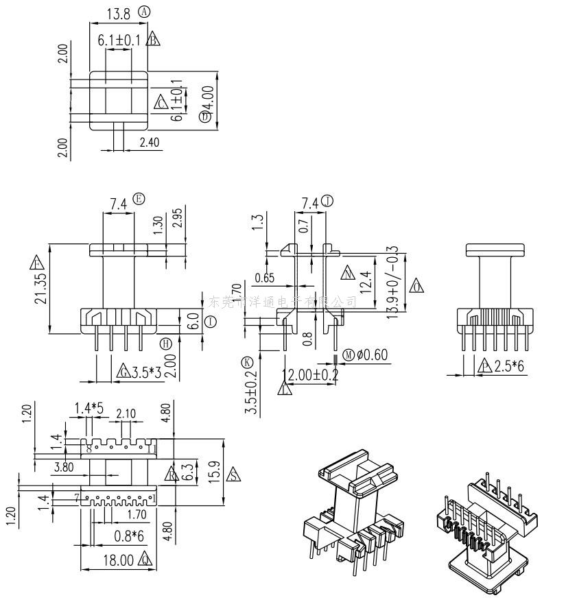
EE2020变压器骨架EER2020电木骨架EI2020高频骨架卧式骨架 YT-2033 2
上一个:EL22变压器骨EEL22电木骨架EEL23高频骨架卧式骨架 YT-2201 2
下一个:EE20变压器骨架EI20电木骨架EER20高频骨架卧式骨架 YT-2030 2
详情介绍
EE2020变
压器骨架EER2020电木骨架EI2020高频骨架卧式骨架 YT-2033 2
东莞市扬通电子有限公司 版权所有
技术支持:
东莞网站建设