×
搜索
搜索
网站导航
首 页
关于扬通
产品中心
公司形象
联系我们
阿里店铺
应用行业
公司动态
生产机器
荣誉证书
留言反馈
您的位置:
首页
→
产品中心
→
EE/EI/EEL型
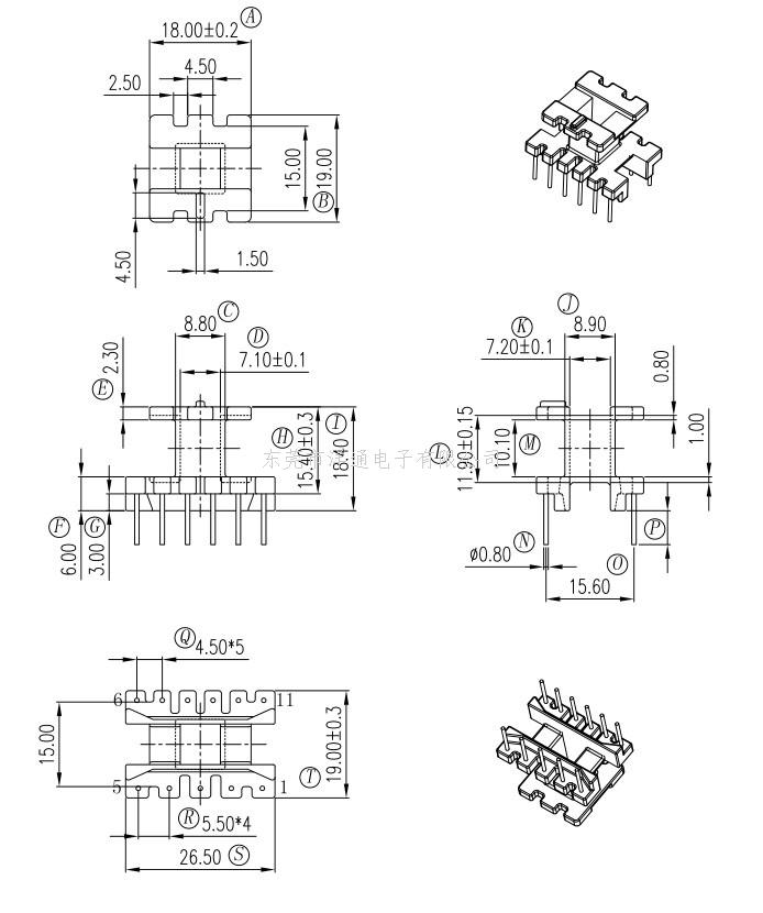
EIS25 11P N变压器骨架ERS25 11P N电木骨架EES25 11P N高频骨架卧式骨架 YT-2532 2
上一个:EE2525W变压器骨架EER2525W电木骨架EI2525W高频骨架卧式骨架 YT-2536 2
下一个:518变压器骨架EEE2ER2518电木骨架EI2518高频骨架卧式骨架 YT-2530 2
详情介绍
EIS25 11P N
变压器骨架
ERS25 11P N
电木骨架
EES25 11P N
高频骨架卧式骨架 YT-2532 2
东莞市扬通电子有限公司 版权所有
技术支持:
东莞网站建设