×
搜索
搜索
网站导航
首 页
关于扬通
产品中心
公司形象
联系我们
阿里店铺
应用行业
公司动态
生产机器
荣誉证书
留言反馈
您的位置:
首页
→
产品中心
→
EE/EI/EEL型
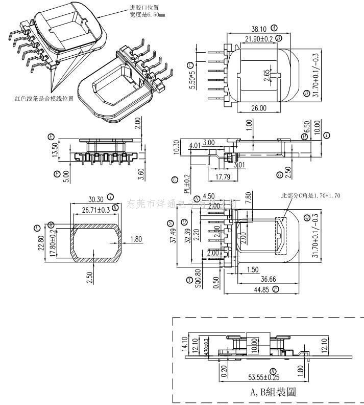
EE3716H变压器骨架EI3716H电木骨架EER3716H高频骨架卧式骨架 YT-3705A 2
上一个:EE3716H变压器骨架EI3716H电木骨架EER3716H高频骨架卧式骨架 YT-3705B 2
下一个:EW36.8变压器骨架EW36电木骨架EW36高频骨架卧式骨架 YT-3704 2
详情介绍
EE3716H
变压器骨架
EI3716H
电木骨架
EER3716H
高频骨架卧式骨架 YT-3705A 2
东莞市扬通电子有限公司 版权所有
技术支持:
东莞网站建设