×
搜索
搜索
网站导航
首 页
关于扬通
产品中心
公司形象
联系我们
阿里店铺
应用行业
公司动态
生产机器
荣誉证书
留言反馈
您的位置:
首页
→
产品中心
→
EE/EI/EEL型
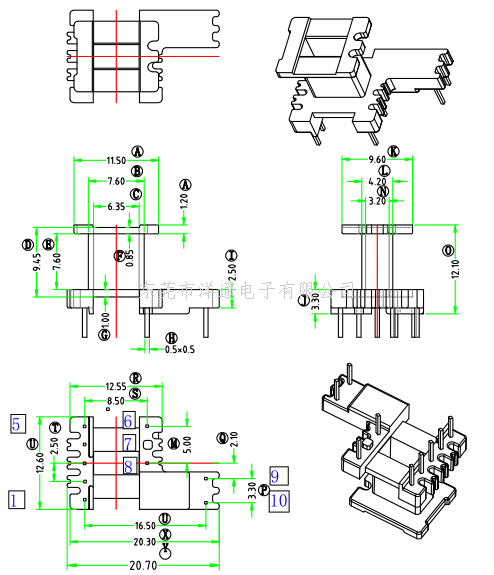
EE13变压器骨架EE13电木骨架EE13高频骨架胶木骨架EI13电源骨架YT-1314 6
上一个:EE55变压器骨架EE5521电木骨架EE55高频骨架胶木骨架EE55电源骨架YT-5504
下一个:EE13变压器骨架EE13电木骨架EE13高频骨架胶木骨架EI13电源骨架YT-1315 3
详情介绍
EE13变压器骨架EE13电木骨架EE13高频骨架胶木骨架EI13电源骨架YT-1314 6
东莞市扬通电子有限公司 版权所有
技术支持:
东莞网站建设